2018年上半年已过,各家无线充电原厂芯片公司半年报告也纷纷出炉,随着无线充电技术庞大的应用领域以及广阔市场前景的逐渐显现,越来越多的企业开始选择跟随巨头华为、苹果、三星的步伐,陆续推出为手机等智能硬件无线充电的产品。在产业整体利好刺激的趋势下,各芯片原厂整体销量提升迅猛。
充电头网据了解,目前在应用端领域,除了传统的移动电源和适配器行业,车载电子领域以及家居家具行业的众多企业也开始大举进入无线充电领域。面对众多无线充电原厂芯片厂家,是随大流选择大品牌还是创新迅猛服务快捷的行业新锐,成为了摆在这些新入企业面前的一大难题。
Qi认证:检验芯片原厂芯片品质和性能的试金石
据业界相关人士指出,对于无线充电技术应用端的企业,一项产品的开发周期历时较长,为了更好的品质和市场保障,Qi认证成为产品入市的可靠性保证。
“Qi认证是承诺消费者的一张王牌,但凡入局的企业,一般都会主动去WPC认证,且会要求原厂来配合申请产品的Qi认证。一个产品从送检到通过,一次性顺利通过的周期一般需4-5周时间,这就成了检验原厂芯片品质性能的试金石。”国内较早创立的无线充电芯片及方案提供商——新页微电子研发副总任连峰表示。
据任连峰介绍,目前WPC 检测认证重点难点在于FOD异物和互操作性测试两大方面,即均为产品兼容性的测试。对于无线充电技术应用端的产品来说,基于芯片开发的方案,本身就是道门槛,而从方案再到产品,除了保证无线充电功能的稳定性能外,与产品主功能的兼容才是关键。“一个完整可靠的产品,各功能的完好呈现是基于内部主板各技术兼容在各自指标范围内的,这就对芯片的性能和稳定性要求很高了。”
“不过,有了成熟应用行业试错的经验出来,呈现的问题自然也比较少,而对于较早吃螃蟹的行业来说,功能越多,意味着稳定性和兼容性的调测试难度也更大。从这一点来讲,我们(新页微电子)NY7502这款芯片首先就给予了相对充分的保证。根据对客户产品开发进度上的跟踪落实和客户反馈,NY7502迎合了当下主流应用行业产品的各项性能要求和兼容指标,因而被众多行业所采用。同时据关键代理商的重点客户反馈,NY7502由于在各项性能指标上有着成熟可靠的稳定性,同时在产品的Qi认证过程中,同比于客户采取的其他企业的芯片和方案,有着更明显的一次性通过认证的优势,这也正是NY7502成为2018年上半年度销量王的一个很重要的原因。”任连峰继续介绍道。

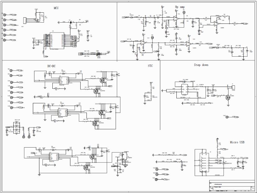
基于NY7502开发的双线圈方案原理图
FOD异物检测通过率的高低
据了解,在2018年上半年WPC公布的新增130多项的认证产品中,FOD异物检测是检测环节中通过率最低的一项,这也意味着一旦产品得打回企业整改完成后,再按新送检的产品来重新走流程,得浪费许多时间。而这一过程对于产品上市的影响尤为巨大,轻则耽搁数月,重则产品推导重新开发或不再开发。因此,企业在选择无线充电芯片或方案的原厂时,芯片及方案的品质是其考虑因素中的重中之重。
另一方面,由于无线充电技术不是简单的一加一的嫁接叠加,应用端企业在选择芯片原厂时,还得从对方技术人员的配合、发现问题后的响应速度以及相关协助服务是否快速到位来综合考虑,这也是影响产品开发速度的一个重要因素。两大关键因素的考虑缺一不可。据任连峰透露,在新页微电子的众多代理商和客户中,一个专注智能方案的上市公司在开发一款新的无线充电产品时,对FOD要求尤其高。“有客户在选择尝试了多家企业的芯片样品,并在得到对方技术配合支持后,产品却没有通过Qi认证,这可能就是上述某个关键因素中出了问题。而当他们最终采用NY7502的10W发射芯片后,加上技术研发团队连夜加班攻坚,采用优化的FOD算法识别异物,最终才顺利过检。”任连峰表示。

据IHS数据显示,2024年无线充电市场将达150亿美元的产业营收,对于产业生态圈内各企业来说,紧跟技术前沿趋势的同时,选择怎样的合作伙伴才是分食市场大蛋糕的有力保障。而对于无线充电芯片原厂企业来说,占领技术研发先进性的高地,并紧抓市场打出自己的芯片方案品牌,才是成为行业标杆的两大法门。同样的,新页微电子也将继续带着Newyea Inside的品牌标识,深耕中小功率无线充电技术领域,为全球客户提供更先进的技术和更优质的服务。