富满电子旗下云矽半导体专注研发USB PD相关产品,近年推出了一系列USB PD控制器。随着PD充电市场热度的提升,XPD5XX系列和XPD6XX系列零外围过认证PD控制器产品,在2019年第四季度累计销量超过五百万颗。
针对多个USB端口充电设备应用方案,云矽推出具有XPD-LINK功能的特色产品——XPD7X7系列。XPD-LINK互联技术让芯片之间通过单线总线传输信息,从而可以简单灵活的组合成多个Type-C和Type-A端口的充电方案。
例如,用两颗XPD767通过XPD-LINK互联技术,可以实现一个USB-C和两个USB-A共享一路电源的应用。特别的,当Type-A口一直连接苹果充电线但未接入苹果手机时,Type-C口仍然有快充功能。

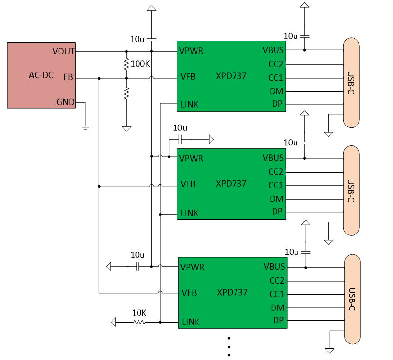
再例如,用多颗XPD737通过XPD-LINK互联技术,可以实现多路USB-C口共享一路电源的应用。稍作修改:将VFB连接至多路电源反馈网络,便可以实现多路USB-C口独立工作动态分配前端总额定功率的应用。

针对AC-DC适配器应用,云矽推出内置同步整流控制的副边全集成PD产品——XPD8XX系列。云矽XPD8XX系列产品内置高性能同步整流控制器,可以无缝切换工作在DCM断续、CCM连续以及QR临界模式下。同步整流控制器采用新颖的线性预测时序控制电路来预判SR电流过零瞬间,无需外部电流感测电路,从而对PCB噪声不敏感,支持自由选择同步整流MOS。
XPD818和XPD819实现了副边全集成,集成了恒压环路控制、同步整流控制器、高压同步整流MOS管、PD全快充协议控制器以及VBUS通路开关MOS管,最大程度减小副边PCB面积,为紧凑小尺寸适配器提供最佳方案。

XPD7XX系列与XPD8XX系列已开始量产,欢迎索取产品详细资料和样品。
联系人刘先生,18682001696
相关阅读:
富满发布系列USB PD芯片,内置MOS外围仅需一电容一电阻
富满推出45W快充协议芯片:支持USB PD3.0
富满18W USB PD充电器DEMO板评测,支持iPhone XS Max快充
富满发布高集成USB PD车充芯片XPM5236:极简外围,最大输出36W
富满XPM5236车充参考设计兼容性测试:42款PD设备全快充


https://www.chongdiantou.com/






