亚成微电子近期推出了一套全新高精简低成本65W GaN快充方案,该方案具有小体积、大功率、高效率(效率Max >93%)、超低待机功耗(待机功耗<60mW)等特点,采用专有驱动技术,直驱E-MODE GaN功率器件,有效的提高了产品效率及功率密度,简化EMI滤波电路设计,降低EMI器件成本,并通过高度集成的芯片设计以及巧妙的结构组合,实现了精简的外围电路和紧凑的PCB布局,帮助快充电源厂商加速大功率快充量产并节省物料成本。

正面

反面

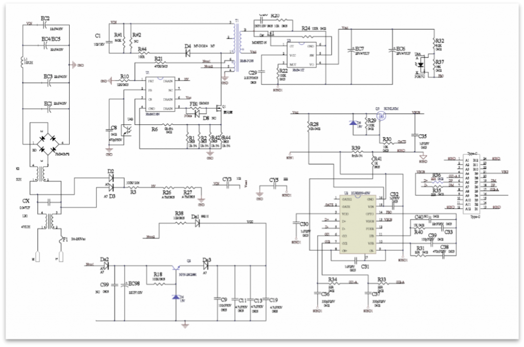
电路原理
基于亚成微RM6601SN+RM3410T设计的PD-65W六级能效快充电源,DEMO外形尺寸为62mm(L)x30mm(W)x23mm(H),通过计算可得PCB模块的功率密度达到了1.52W/cm³。
同时,亚成微基于RM6601SN+RM3410T开发的这套65W GaN快充快充方案具有高集成、高密度、高性价比的特点,足以应对目前市场对65W GaN快充的需求。

亚成微RM6601SN是一款高性能高可靠性电流控制型PWM 开关控制芯片,全电压范围内待机功耗小于75mW,满足六级能效标准,并且支持 CCM/QR 混合模式。
亚成微RM6601SN集成多种工作模式,在重载情况下,系统工作在传统的固频 130KHz 的 PWM 模式下,在低压输入时会进入 CCM 模式;在重载情况下,系统工作在 QR 模式,以降低开关损耗,同时结合 PFM工作模式提高系统效率;RM6601SN 采用专有驱动技术,直驱E-MODE GaN功率器件,提高产品效率及功率密度,简化EMI滤波电路设计,降低EMI器件成本,完美应用于大功率快速充电器。
在轻载或空载情况下,系统工作在 Burst Mode 模式,有效去除音频噪音,同时在该模式下,RM6601SN 本身损耗极低,因此可以做到超低待机功耗。在任何模式下,都集成了特有抖频工作模式,以改善 EMI。
RM6601SN 同时集成了多种保护模式和补偿电路,包括 VCC OVP,内置 OTP,外置 OVP,欠压锁定(uvlo),逐周期过流保护 OCP,过载保护(OLP),CS 短路保护,输出肖特基短路保护等,并内置斜坡补偿功能。

该套方案搭配亚成微RM3410T高性能同步整流芯片,系统稳定性更高。是一款高性能同步整流器,用于反激式二次侧整流。通过驱动MOSFET,与传统的二极管整流器相比,RM3410T能够显着提高效率。当RM3410T检测到MOSFET的VDS小于-300mV时,它会导通MOSFET。一旦VSWS大于-10mV,RM3410T将关闭MOSFET。RM3410T支持多种操作模式,如DCM,CrCM,CCM和准谐振。通过实施专有技术,RM3410T能够处理CCM操作。
亚成微电子是一家专注高速功率集成技术的高端模拟IC设计公司,拥有10年以上的模拟电路设计公司运营经验。公司具有国际领先技术水平设计团队,在USB PD快充领域,亚成微致力于为客户提供高功率密度USB PD快充解决方案,目前已推出了国内首款ZVS反激开关电源芯片RM6801S、国内首批E-Mode GaN FET直驱ZVS反激控制芯片RM6801SN、采用新一代PWM控制技术(自供电双绕组架构)的初级主控芯片RM6715S、RM6717S以及内置coolMOS的QR方案RM6514S、RM6517D。同时还配套推出了内置SGT MOS的次级同步整流芯片RM3405SH、RM3410T、RM3412SH、RM3413SH和RM3414SH。
如有样品需求可以与亚成微原厂接洽。
联系方式:
左先生 15986603672
李女士 18603027559
雷女士 15919992899


https://www.chongdiantou.com/






