近日,必易微新推出了“第三代”具有快速关断功能的高性能同步整流控制IC—KP4050LGA,同时搭配不同MOSFET推出了KP40561SGA、KP40562SGA、KP40511SGA、KP40511WGA、KP40512SGA、KP40512MSGA等一系列产品。全系产品适配DCM/BCM/CCM的Fly-back电路,以效率优异、应用简单、安全可靠三大特点为18~100W的PD快充保驾护航
同步整流的自我介绍
同步整流为何物
同步整流(Synchronous Rectifier,SR)是指在开关电源电路中用MOSFET取代二极管做续流回路,同步整流MOSFET导通电阻较小,其导通压降远小于二极管,可以显著降低损耗。
同步整流的MOSFET
与原边主功率MOSFET主要工作在第一象限不同,SR的MOSFET主要工作在第三象限,即正栅压反向导通区,此区域可利用MOSFET的体二极管实现SR的零电压软开通。
同步整流的优势
同步整流电路最大的优势在于它能够显著提高系统工作效率,特别是针对低压大电流应用,更是早已成为标配。以下以15mΩ的SR MOSFET和二极管对比损耗差异,其中二极管的导通压降拟合为VF=0.008*IF(A)+0.7V。
根据上图的损耗对比, SR的优势明显。对于100W以内的Fly-back电路而言,SR的价值不言而喻。
KP4050的制胜法宝
KP4050系列产品通用性强,High Side和Low Side布局都可完美适应,除此之外还有几个关键“技能”,使得电路设计简单又高效。
技能一:自供电
必易微“第三代”同步整流产品全系标配自供电能力,无需多余的辅助绕组或辅助供电电路。标配的自供电能力可以让设计简单起来、让电路简洁起来、让性能“简直了”起来。
技能二:开通关断延迟性能优异
SR最大的任务是提高系统效率,但只靠低导通电阻的MOSFET可不行,性能优异的SR控制器同样十分重要。开通、关断延迟是衡量SR性能的关键指标之一,必易微“第三代”SR产品开通关断延迟性能优异,可以让效率一提再提。
技能三:精准关断
关断SR MOSFET不难,难的是精准关断。关断太早,二极管导通损耗加重;关断太晚,电流倒灌甚至原副边共通,损耗加重甚至威胁系统可靠性。关断的时机“早晚”都不行,时机得拿捏准。由于具备Gate电压的灵活控制的能力,KP405XX在精准关断这块可以说是“拿捏得死死的”。
技能四:CCM适应能力强
SR控制器性能好不好,CCM一跑便知道。适应CCM是当前PD应用的必然要求,能真正解决CCM关断慢的问题才是真的强。KP405XX全系标配超大下拉电流,再配合优秀的关断延迟性能和Gate电压灵活控制的能力,让CCM条件下的MOSFET应力不敢造次。KP40511WGA在30W PD系统中,输出短路时应力小于稳态应力,短路后CCM条件下Vds_SR的尖峰只有16V。

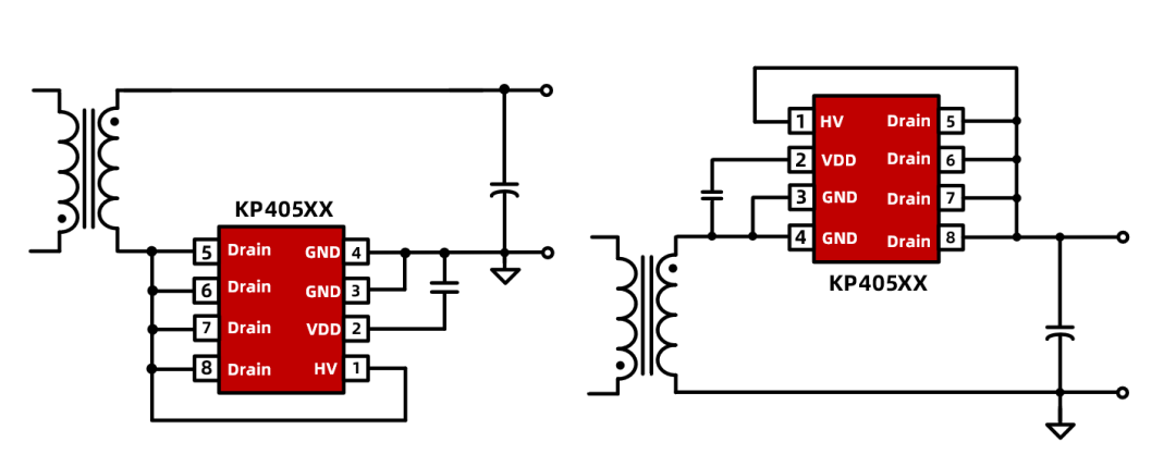
家族庞大 型号众多
脚位齐全,独特创新
KP4050系列产品共有三类封装脚位,其中KP40561SGA、KP40562SGA、KP40511SGA、KP40512SGA共享同一类脚位,KP40512MSGA和KP40511WGA分别独自占用一种脚位,更多的脚位意味着更大的设计灵活度。

各司其职 高低搭配
KP4050系列产品参数信息如下表所示,可以满足不同功率段快充应用的需求。

更大封装 更强散热
KP40511WGA采用的ASOP-6封装,比传统SOP-8封装散热尺寸更大,相同损耗情况下散热效果更好,温升更低。同样,为了满足同样的温升要求,便可采用Rds_on更大,成本更低的MOSFET,可以实现系统成本的最优化。
实测结果显示在30W PD系统上,即便在效率偏低0.5%~0.6%的情况下,采用ASOP-6封装的SR和采用SOP-8封装的SR温度也基本持平。

PCB上如何排兵布阵
PCB设计对同步整流的性能会产生显著影响,以KP4050LGA控制器为例,设计PCB时可参考如下建议。
■ 副边主功率回路 Loop1 的面积尽可能小。
■ HV 脚电压检测回路 Loop3 的走线尽可能短,面积尽可能小。
■ Loop1 和 Loop3 建议不要有交叠,以免干扰电压采样。
■ 驱动回路 Loop2 面积尽可能小。
■ VDD 电容推荐使用贴片电容,尽量紧靠 IC,Loop4 面积尽可能小。
■ 芯片GND跟MOS SOURCE单点连接。

下图为 PCB 布局设计参考,包含同步整流控制器,PDFN 封装的 MOSFET 及变压器副边引脚和输出滤波电容等。其中R3和C2构成同步整流 MOSFET 的吸收电路,RC吸收电路尽可能小。
大道至简 虽难必易
随着PD快充应用的普及,对同步整流的需求也逐渐增多,必易微秉持独特创新,易于使用的理念推出KP4050系列SR产品,以效率高、易使用、高可靠的特点给您的设计带来更多惊喜