在大功率快充移动电源和车充中,均需要使用升降压芯片,来满足8-24V输入,5-20V的输出需求,其中移动电源通常为2串或4串电池,车充为12到24V输入。使用升压或降压电路,很难满足全电压范围的输入以及全电压范围的输出,这时候就需要升降压电路,来根据输入的电压和输出电压,自动控制升压或者降压,满足设备需求。
以高集成电源SoC闻名的智融科技,在快充移动电源和USB PD快充上推出的集成PD及常用快充协议的电源芯片,很受市场欢迎,市场占有率非常高。智融最新推出了一款同步升降压控制器SW7203,是一款双向升降压控制器,支持1到4节锂电池充放电管理,集成路径管理NVDC,支持最大100W输出功率。
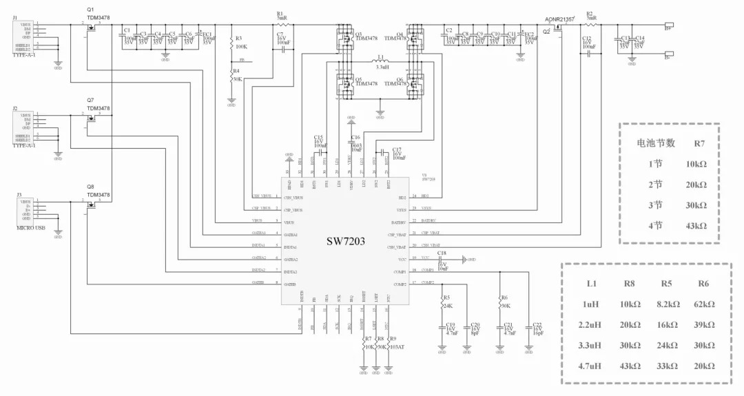
一、智融SW7203 DEMO介绍

图为智融SW7203同步升降压控制器参考设计,内置了一路输入检测和两路输出检测,及对应的通路驱动,专为PD大功率快充而设计,搭配内置协议功能的MCU即可组成完整的双向大功率快充方案。

参考设计背面没有元件,背面是预留开关管焊盘以及SW7203散热露铜。

智融SW7203采用QFN4*4-32封装,封装小巧节省空间。这是一颗单电感四管同步双向升降压充放电控制器,支持1-4节锂电池升降压充放电,支持3-19.2V电池电压范围,支持100W充电及输出,支持4-24V输入电压,支持3-22V输出,输入/输出与电池端电流均可由I2C总线设置,支持反馈和I2C总线调节输出电压,并可根据负载情况切换PSM或PWM工作模式。
芯片内置的电池充电管理支持NVDC电源路径管理,支持死电池启动和无电池工作模式,内置完整电池充电循环管理。芯片内部集成NTC检测功能,可为电池提供完整的高低温保护,确保电池使用安全。

智融SW7203支持芯片过热保护、NTC电池温度保护、输入/输出过压保护、电池过压保护、逐周期过流保护、充电输入欠压保护、电池放电欠压保护、放电输出短路/过流保护、总线过压保护、充电超时保护等,最大程度的保证大容量电池组的安全。

此外,芯片内部集成高侧驱动器自举二极管,外围元件更加精简。芯片内部集成5V LDO输出,可为单片机供电。内置驱动器输出电压为5.5V,支持逻辑电平MOS和氮化镓开关管应用。输出电压电流参数均可由I2C总线连接到单片机进行配置,支持1μH,2.2μH,3.3μH和4.7μH四种电感值,可根据MOS管参数,选择200K,300K,400K到1MHz开关频率。
升降压架构的SW7203适用于快充充电器、车充、电动工具、笔记本电脑、无人机、扫地机器人、对讲机电池等。灵活的升降压架构,支持多串电池应用,可满足不同场合的使用需求。同时内置完善的保护功能,也能最大限度的确保电池的安全。
二、智融SW7203 DEMO效率测试
1、100W升压输出效率
充电头网首先对智融SW7203的电池升压输出性能进行了测试,使用昂盛达ASD906A模拟四串电池组,分别模拟电池在低电量、半电量和满电状态,智融SW7203 DEMO板固定20V5A,100W输出,采用艾德克斯IT8511电子负载进行100W放电。

首先模拟的是电池低电量的测试,板端输入电压为12.01V,输入电流为8.688A,测得板端输出电压为19.975V,输出电流为5.002A,板端转换效率为95.76%。

接着模拟电池半电量的测试,板端输入电压为14.81V,输入电流为6.953A,板端输出电压为19.978V,输出电流为5.002A,板端转换效率为97.04%。

模拟电池满电的情况下测试,板端输入电压为16.41V,输入电流为6.239A,板端输出电压为19.982V,输出电流为5.002A,板端转换效率为97.62%。

通过效率测试,智融SW7203参考设计的100W满载升压效率均保持的非常好,在模拟电池低压时效率仍在95%以上,满足大功率移动电源效率要求。
2、100W降压输入效率
下面是模拟充电场景的100W输入降压测试,测试使用昂盛达ASD920高精度数控电源模拟适配器输出,输入固定20V5A,100W输出。昂盛达ASD906A模拟四串电池组,模拟电池在低电量,半电量和满电状态充电。

模拟电池低电量的情况下测试,板端输入电压为19.796V,输入电流为4.74A,板端输出电压为11.99V,输出电流为7.497A,板端转换效率为95.80%。

模拟电池半电量的情况下测试,板端输入电压为19.793V,输入电流为4.818A,板端输出电压为14.8V,输出电流为6.248A,板端转换效率为96.97%。

模拟电池满电的情况下测试,板端输入电压为19.79V,输入电流为4.87A,板端输出电压为16.4V,输出电流为5.727A,板端转换效率为97.45%。

智融SW7203 DEMO在降压输入给电池充电时,即使电池处于低电量状态,板子的系统效率仍在95%以上,而当电池处于满电状态时,效率更是高达97.45%。高效率意味着低发热,这也是开发100W大功率移动电源或车充的必要条件。
3、效率曲线
先来看一下智融SW7203 DEMO分别搭配2串电池组、3串电池组、4串电池组时的升压输出效率曲线:

智融SW7203搭配2串锂电池时,使用9V电压给电池组放电的效率最高,尤其是当输出电流在1-1.5A之间时,出现峰值效率,达到97%以上。而使用20V电压输出时,由于压差较大,所以整体相率相对偏低。

当搭配3串电池使用时,以12V电压输出的效率最高,峰值接近98%;5V输出的整体效率相对其它电压档位略低。

当电池电压为14.8V也就是4串电池时,12V或20V输出的整体效率都很高,以12V输出的最高效率超过了97.5%,以20V输出的效率也达到了97%以上。
下面再继续来看智融SW7203的输入效率曲线:

当以5V电压充电时,搭配2串电芯的效率最高,3串电芯的效率次之,4串电芯效率最低。

当以9V电压充电时,2串电芯的峰值效率在1-1.5A电流之间,3串电芯的峰值效率在1.5-2.5A之间,4串电芯的峰值效率在2.5-3.5A之间。

当以12V电压充电时,3串电芯和4串电芯的效率优势比较明显,峰值效率均在1.5-2.5A电流之间,其中3串电芯的最高效率超过了98%。

当以20V电压充电时,4串电芯的效率占优势;当充电电流在1.5-5A之间时,系统效率均在97%以上,适合100W大功率移动电源设计。
充电头网总结
智融科技在降压协议芯片和升压移动电源芯片获得非常高的市场占有率,在获得成功之后智融发挥自身创新优势,继续推出了更大功率应用的SW7203双向同步升降压充放电控制器,向着广泛的电池快充市场进军。
目前多串电池组配合大功率快充已成为终端产品发展趋势,安全高效的快充成为全行业不变的追求。降压以及升降压拓扑,结合低压氮化镓开关管有望获得更低的发热,更小的体积,进一步提升产品竞争力及使用体验。