由于苹果在最新推出的iPhone 12系列机型中引入了MagSafe无线充电功能,与MagSafe相关的磁吸配件几乎在一夜之间爆发,形成了一条全新而又庞大的产业链。
苹果将推出MagSafe充电宝
在配件方面,目前苹果官方已经推出了MagSafe无线充电器、MagSafe Duo双项无线充电器以及MagSafe卡包等。而按照往期惯例,苹果还将为几款手机推出外置电池的配件,苹果称之为Smart Battery Case(带电池的手机保护壳)。

不过最新的消息爆料指出,
苹果正在为iPhone12研发磁性电池组附件。据知情人士透露,苹果已经开发该附件至少一年了,并计划在iPhone 12系列发布后的几个月内推出。
值得注意的是,新的配件将不同于苹果之前Smart Battery Case,它只提供额外的电池续航时间,并不能作为一个完整的保护壳来用。换句话说就是,苹果正在为iPhone 12系列研发一款带MagSafe磁吸无线充电宝。这也将成为苹果配件历史上的首款无线充电宝产品。
更有趣的是爆料信息称,苹果即将推出的这款磁吸无线充电宝会将手机的电量保持在90%左右,最大限度地延长可用的电池寿命。
苹果为何推出MagSafe充电宝
2020年10月23日苹果正式开放了iPhone 12系列MagSafe保护壳的MFi认证,各家MFi认证企业从即日起便可向苹果代理商安富利购买iPhone 12保护壳磁吸模组。

与此同时,
苹果便针对MagSafe推出了全新的配件认证标识Made for MagSafe(MFM),将磁吸类的保护套、车充、卡包,以及未来的磁吸配件全部纳入其中。
苹果推出MagSafe无线充电宝的主要目的在于构建完善的MagSafe生态。正如上文提到的,目前苹果已经为iPhone 12用户提供了MagSafe无线充电器、卡包等配件,同时也通过给第三方品牌授权的方式,增加了MagSafe手机保护壳、车载支架等配件。

而反观带电池的MagSafe配件领域,目前还是一片空白。虽然有很多第三方品牌推出了磁吸无线充电宝,但其均未通过苹果官方认证,产品质量参差不齐,使用体验也千差万别。所以对苹果来说,扩充MagSafe移动电源产品线是一个不错的选择。

MagSafe磁吸无线充电宝对iPhone 12系列来说是一款非常友好的产品,其市场欢迎度也比较高。据报道,
知名数码配件品牌ANKER 推出了一款适用于iPhone 12的磁吸无线充电宝,容量为5000mAh。虽然产品仅支持5W无线充电,且尚未获得苹果官方认证,但其在亚马逊上预售时,迅速就被售罄。
当然,作为苹果官方推出的MagSafe无线充电宝,其极有可能支持最大15W无线充电模式,并兼容7.5W以及5W无线充电,大功率快充能够有效缩短用户的充电时间。
充电宝芯片厂商获益
可以预见,苹果一旦推出MagSafe无线充电宝,将在很大程度上刺激到传统移动电源市场,并引起众多第三方移动电源厂商跟风布局,在行业里掀起一场磁吸无线充电宝的热潮。移动电源市场也将迎来一次发展新机遇,芯片、电芯、外壳、磁铁、线圈等供应链成员都将从中获益。

充电头网通过对多款无线充电宝的拆解了解到,此类产品主要由电芯、移动电源控制电路以及无线充电控制电路三部分组成。其中移动电源芯片是最为关键的一环,因为其不仅要兼顾移动电源自身的充放电以及电源管理功能,还需要为无线充电部分供电,保证其功能的完整性。
目前市面上主流的充电宝芯片厂商主要有英集芯、智融、南芯、钰泰、思远等。下面就来看一下这些厂商分别都有哪些经典的移动电源芯片产品。
INJOINIC英集芯

英集芯科技有限公司是一家专注于高性能、高品质的数模混合集成电路芯片研发和销售的IC设计公司。其优秀的设计团队来自世界知名大型IC设计公司,拥有10年以上先进的数模混合芯片的设计、生产和测试技术经验。独具匠心打造的SOC 芯片,产品涵盖无线充、移动电源、USB PD 快充协议以及车充快充IC和多串锂电保护(BMS)IC。
目前英集芯推出的USB PD快充移动电源芯片IP5328P被广泛应用于无线充电移动电源中,既能实现双向PD快充,又能实现无线充。同时,
英集芯还推出了高集成移动电源+无线充SOC芯片IP5566,一颗芯片搞定所有,满足市场对高性价比磁吸无线充电移动电源的需求。
此外在无线充电领域,英集芯还先后推出
IP6806、
IP6808、
IP6809等多款芯片,在iPhone 12系列发布之后,
英集芯推出全集成无线充电SOC方案IP6826。这些无线充电方案均可搭配英集芯IP5328P开发出外围精简的PD快充无线移动电源。
1、英集芯IP5328P

英集芯IP5328P集成了升降压和协议识别功能。得益于高集成度,芯片外围器件少,很适合应用于小尺寸PCB设计,PCB板的散热性也更好。
英集芯IP5328P集成QC2.0/QC3.0输出快充协议,并且通过了QC3.0高通认证,证书编号:4788056908-2。同时集成FCP、AFC、SFCP、MTK PE、USB-C DRP、BC1.2输入输出充电协议。此外,英集芯IP5328P不仅支持PD3.0/2.0快充,而且PPS还能5~12V自由调节。
应用案例:
(1)
拆解报告:CIKE小红玩二合一无线充移动电源(CIC01-001)
(2)
拆解报告:MOMAX Q.POWER PRO无线二合一移动电源(IP99)
(3)
拆解报告:IDMIX POWER MIX 10000无线快充移动电源(X10S)
(4)
拆解报告:TOPBAND Wireless PowerBank with Charging Dock二合一无线充(TB-WDC07)
(5)
全网首拆:mophie无线充+充电宝+充电器三合一
(6)
拆解报告:ROMOSS罗马仕无线充电移动电源(WSL10)
(7)
拆解报告:ROFI摩可G-Power Final终结者三合一无线充电宝
(8)
拆解报告:Baseus倍思无线快充PD移动电源(F10W)
(9)
拆解报告:UGREEN绿联10000mAh无线充移动电源(PB124)
2、英集芯IP5566

英集芯IP5566是一款集成升压转换器、锂电池充电管理、电池电量指示、无线充电发射控制的多功能电源管理SOC,为无线充的移动电源提供完整的解决方案。
该芯片的高集成度与丰富功能,使其在应用时仅需极少的外围器件,并有效减小整体方案的尺寸,降低BOM成本;应用时只需一个电感实现降压与升压功能,DC-DC转换器工作在500KHz,可以支持低成本电感和电容。
英集芯IP5566的同步升压系统提供额定3.1A输出电流,转换效率至93%。空载时,自动进入休眠状态,静态电流降至 100uA 以内。该芯片还采用开关充电技术,提供 3A(Type-C输入)/2A(micro-B 输入)的充电电流,充电效率高至92%。内置 IC 温度和输入电压智能调节充电电流。
应用案例:
(1)
拆解报告:工夫龙无线充电移动电源
ismartware智融

珠海智融科技有限公司成立于2014年底,主要从事集成电路设计和芯片开发,目前已有100人的团队规模,主要产品为数模混合集成电路(IC),包括快充一体芯片、电源管理芯片、安全加密芯片等,均由公司自主研发完成,已申请近数十项项专利或著作权。目前智融正处于高速发展时期,已有多个产品线量产,尤其在快充领域已成为领先的芯片供应商。
智融旗下适用于USB PD快充磁吸无线充电宝产品开发的移动电源芯片有SW6103、SW6106、SW6124、SW6201、SW6206、SW6208等几款,应用时仅需加入无线充电模块即可,此前已经参与了多款无线充电移动电源产品的开发。
面对无线充电市场,
智融还推出了一颗高集成无线充电芯片SW5100。配合自家最新的移动电源芯片,可以开发出
22.5W超级快充+15W无线快充方案。
1、智融SW6103

智融SW6103是一颗高集成度的双向快充移动电源专用多合一芯片,集成了4A高效率开关充电,18W高效同步升压输出,USB PD、QC、FCP、PE、SFCP等多种快充协议,电量计量,照明驱动以及相应的控制管理逻辑。外围只需要少量原件,即可组成完整的高性能双向快充移动电源解决方案。
2、智融SW6106

智融SW6106是一款高集成度的双向快充移动电源专用多合一芯片,其集成了 4A 高效率开关充电, 18W 高效同步升压输出,支持PD、QC、FCP、PE、SFCP 等多种快充协议,电量计量,照明驱动以及相应的 控制管理逻辑。支持边充边放,在单口工作时支持快充输入输出,多口工作时支持 5V 输入输出。外围只需少量的器件,即可组成完整的高性能双向快充移动电源解决方案。
应用案例:
(1)
拆解报告:南孚AirCharge无线快充充电宝
(2)
拆解报告:Baseus倍思USB PD无线充电移动电源
(3)
外表华丽手感舒适 IDMIX P8无线移动电源拆解体验
(4)
拆解报告:MIPOW麦泡POP CANDLE多用途无线充电宝
3、智融SW6124

智融SW6124是一款高集成度的双向快充移动电源专用多合一芯片,其集成了 4A 高效率开关充电,18W 高效同步升压输出,支持PD、QC、FCP、PE、SFCP等多种快充协议;并支持电量计量,照明驱动以及相应的控制管理逻辑。外围只需少量的器件,即可组成完整的高性能双向快充移动电源解决方案。
4、智融SW6201

智融SW6124是一款高集成度的双向快充移动电源专用多合一芯片,其集成了 4A 高效率开关充电,18W 高效同步升压输出,支持PD、QC、FCP、PE、SFCP等多种快充协议;并支持电量计量,照明驱动以及相应的控制管理逻辑。外围只需少量的器件,即可组成完整的高性能双向快充移动电源解决方案。
5、智融SW6206

移动电源主控芯片采用智融SW6206。SW6206是一款高集成度的多协议双向快充移动电源专用多合一芯片,支持A+A+B+C+L口任意口快充。其集成了5A高效率开关充电,22.5W高效同步升压输出。
支持PPS、USB PD、QC、AFC、FCP、SCP、PE、SFCP等多种快充协议,电量计量,LED灯、数码管显示以及相应的控制管理逻辑。外围只需少量的器件,即可组成完整的高性能双向快充移动电源解决方案。
应用案例:
(1)
拆解报告:摩米士10000mAh无线充移动电源
(2)
拆解报告:MAGIC FOX魔狐10000mAh彩屏无线快充移动电源MF20
(3)
拆解报告:麦多多10000mAh磁吸无线充移动电源
(4)
拆解报告:欧派奇2A1C 20W快充无线充电移动电源
(5)
拆解报告:网易智造10000mAh无线充移动电源
6、智融SW6208

智融SW6208是一款高集成度的多协议双向快充移动电源专用多合一芯片,支持 A+A+B+C+L口任意口快充。其集成了5A高效率开关充电,22.5W高效同步升压输出,支持PPS、PD、QC、AFC、FCP、SCP、PE、SFCP、VOOC 等多种快充协议,电量计量,数码管/LED 灯显示以及相应的控制管理逻辑。外围只需少量的器件,即可组成完整的高性能双向快充移动电源解决方案。
应用案例:
(1)
拆解报告:AUKEY 支架式无线充移动电源20000mAh
SOUTHCHIP南芯

上海南芯半导体科技有限公司,于2015年底成立于上海浦东张江高科技园区,秉承不断创新的产品文化,致力于为业内提供高性能、高品质与高经济效益的IC解决方案。
南芯半导体不断探索研发高端芯片,是国产模拟芯片替代浪潮中的开拓者。作为一家深耕DC-DC电源芯片领域的本土企业,南芯半导体以Buck-Boost为核心,为用户提供灵活、多用途、高品质且价格适中的电源管理方案,成为中国电源界的一颗新星。凭借其技术优势,打造出技术领先、品质优异、产品性价比高的“高端中国芯”的领军品牌形象。
目前南芯已经开辟了DC-DC、AC-DC、PD协议、无线充电、锂电保护、电荷泵等多条产品线。针对移动电源领域,南芯除了拥有适用于大功率快充的升降压芯片之外,还有诸多内置MOS的高集成芯片,适用于5000-10000mAh无线充电移动电源开发。
在无线充电领域,
南芯推出了高集成单芯片无线充方案SC9602和SC9603,一颗芯片集成了解调控制电路,同时将全桥电路也集成到IC中,实现了一颗IC完成一套TX方案的设计,大大简化了客户的系统设计及硬件成本。
1、南芯SC8933

南芯SC8933是一款具有反向升压放电功能的同步降压充电转换器。内部集成了两个超低导阻的NMOS,可支持效率高达92%的12V2A充放电操作;采用I2C接口,具有丰富的充放电控制以及完善的异常状态保护功能;集成端口NMOS隔离管驱动控制,最高支持3个USB端口。仅为 4*4mm 的QFN封装,外围器件少,非常节省空间。
应用案例:
(1)
拆解报告:mophie 8000mAh无线充移动电源
(2)
沃尔玛大卖移动电源深度拆解:内置全新快充方案
2、南芯SC9801

南芯SC9801是一款双路高集成度的具有充电和放电管理的电源IC,它主要用于单节电池的移动电源,内部集成两路独立充电器,只用一颗IC即可允许移动电源有两条充电路径和三条放电路径,通过内部集成的电源路径管理功能帮助简化系统设计。
其中一路是内置MOSFET的同步开关充电器,用于5V 3A的应用。两个集成的隔离管用作充电和放电的路径管理。另一路是高压同步充电器控制器,它需要外置MOSFET配合,可以支持到12V/2A 的应用。并且两路充电器都支持反向升压,每路充电器都有完整的电源路径管理功能:涓流充电,恒电流充电(CC),恒电压充电(CV),停充和再次充电,以及输入的动态电源管理(DPM)功能。
应用案例:
(1)
苹果商店专供:mophie 6000mAh 18W PD快充移动电源拆解
TPS思远半导体

深圳市思远半导体有限公司,成立于2011年,是一家开发具有自主知识产权的数模混合信号集成电路设计企业。以“服务、品质、创新、共赢”为核心理念,为客户提供全方位、优质的电池管理系统级芯片解决方案。
思远半导体的成长依赖于客户的信任,团队的努力,供应商的支持。放眼世界,半导体产业已经向中国转移,传统市场随着智能技术的升级,带来巨大的市场机会,思远半导体以时不我待,时刻保持积极进取之心的态度,立志成为卓越的半导体企业!
1、思远半导体MP5330

思远半导体 MP5330,移动电源SOC,内置3A同步充放电,充电电流由温度调节,避免过热,具有适配器自动检测能力,最大输出电流3.6A,集成负载检测功能,并集成Type-C协议,内部集成多重保护功能,采用QFN-5×5-32pin封装。
应用案例:
(1)
拆解报告:iWALK口袋宝Air Plus无线充移动电源
ETA钰泰

钰泰半导体是国内的电源管理设计公司翘楚,其优秀的设计团队来自Maxim顶尖设计人员,专注于DC/DC 技术领域。公司团队组建于2008年。是业内领先的NBIOT、移动电源、TWS、OTT、手机等领域的模拟电源芯片原始设计商,以创新的架构、高性能和高可靠性在业绩闻名。
钰泰半导体的产品种类包括降压、升压、锂电池充电管理、TWS专用芯片、移动电源专用芯片、车充芯片、多通道集成电源管理、限流芯片、过压保护芯片、USB负载开关、电表专用芯片、NBIOT电源芯片等。
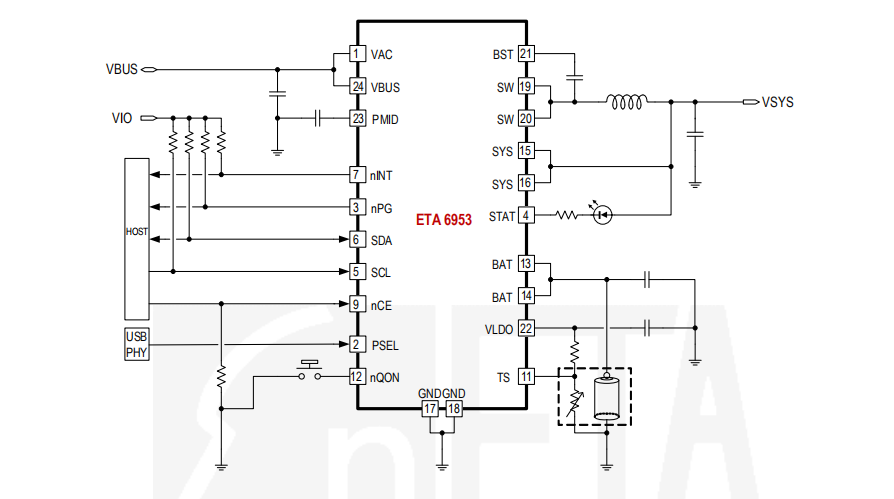
1、钰泰ETA6953

钰泰ETA6953是一颗高度集成的开关充电器,最大输出电流3A,为单节锂电池供电,并且支持功率路径管理。其支持宽范围高电压输入,为手机及平板电脑等便携设备快充。内置低导阻功率路径可优化开关转换效率,减少电池充电时间以及延长电池放电寿命。ETA6953内部集成防倒灌MOS管,半桥MOS管和电池MOS管,内部集成用于上管驱动的自举二极管,内置的I2C接口可灵活设置充电参数和系统参数。
钰泰ETA6953内置高效率1.5MHz同步降压充电器,5V输入下,2A充电效率为90%,支持反向升压输出用于USB OTG,输出电流可达1.2A,支持短路保护。ETA6953支持3.9到15V输入,最高耐压30V,支持可编程的电流限制以适应不同的接口输出。支持运输模式,唤醒和系统复位。内部集成电流传感,支持电池温度检测,热限流和热关断,支持输入欠压和过压保护,适用于平板电脑,智能手机和便携音箱,掌上电脑等。
充电头网总结
随着半导体国产化的进程的推荐,消费类电源芯片的发展取得突飞猛进的成果,尤其是在DC-DC快充芯片方面,已经实现对进口品牌的全面替代。
充电头网通过调研了解到,目前的USB PD快充移动电源领域已经产生了两级划分,其中30W以上的移动电源芯片市场由南芯主导,18W-22.5W快充移动电源市场则主要被英集芯和智融两大厂商高集成SOC芯片瓜分。
传统PD快充移动电源芯片的市场角逐已经告一段落,而由苹果掀起的磁吸无线充电宝市场将成为各大厂商的下一个主场。
消息人士指出,苹果磁吸充电宝容量约5000mAh,因此市面上5V 3A的充电宝SOC单芯片就能满足需求,得益于高集成度的优势,充电宝芯片将会再次火爆。