光大芯业微电子有限公司在全球旗舰支持PD协议新机发布季到来之前,强势推出PD3.0 PPS all-in-one的第三代反馈环路全内置的SOP8封装准Turn-key完整AC-DC 单C口整合方案。同时推出全内置的A口方案和C口FB反馈方案,适合各种场景下的PD或者快充充电设计。
图1 SDC5429X/SDC5430/SDC5431外围电路连接
此次推出第三代协议芯片中的明星产品SDC5429X(X:PDO功率区别),是业界少有的SOP8封装的标准PD3.0/PPS协议芯片,集成控制环路和补偿参数,内置VBUS通路NMOS驱动和VBUS泄放电路。CC1/CC2 DP/DM动态OVP保证了接入设备安全性,超低待机功耗匹配日益严苛的能效要求,完美适配USB-C或USB-A各种快充协议。
图2 SDC5429 PD/快充协议诱导
同系列的SDC5430增加PSEL电阻灵活设置PDO功能;SDC5431增加FB电流调压功能,更适合DC/DC应用。此次,光大芯业同时推出的SDC5413,延续了SDC5415、SDC5416的USBA协议产品系列,集成度更高的同时,也及时更新了各厂商的快充协议。
图3 SDC5429X/SDC5430/SDC5431系列产品手册
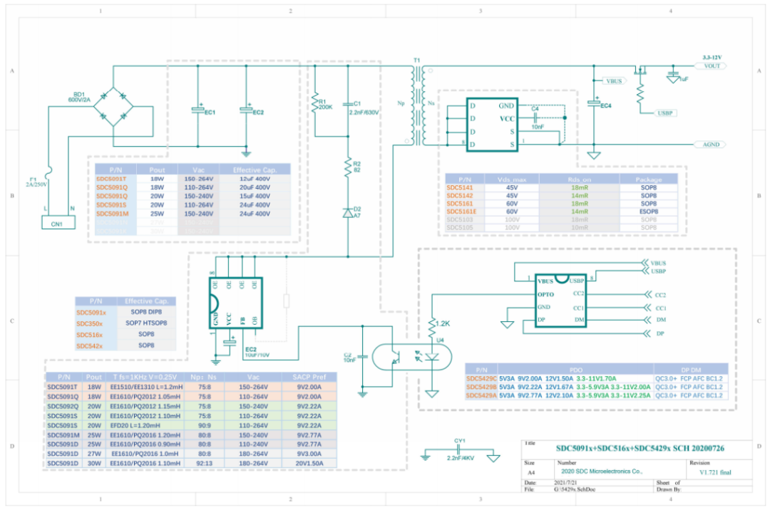
光大芯业同时提供成熟、极高性价比的PD/快充充电器的功率方案。其中,SDC509X系列集成高压起动电路,内部CS采样,双绕组自供电,外围极简,同时具有动态恒功率功能,可以涵盖18W-30W的原边功率设计;SDC514X/516X/510X系列同步整流开关,集成MOSFET,具有极短的关断延时,可以适应DCM/QR/CCM工作模式。
图4 高性价比的的PD充电器方案设计
光大芯业推出的第三代协议芯片系列,集成度高、应用简单、协议兼容性强,可以帮助客户降低PCB设计难度,控制BOM成本,快速将电源产品推向市场。欢迎各厂商咨询产品相关信息,申请样品和DEMO。
图5 PD20W参考设计


https://www.chongdiantou.com/






