上海南芯半导体作为国内领先的模拟IC设计公司,今年新推出了应用于蓝牙音箱、电子烟、POS机等领域的通用型单双节锂电池快速充电管理芯片SC8932和SC8930。
该系列产品支持4-13.5V输入,耐压高达20V,无需外部OVP器件即可避免客户在使用12V适配器时热插拔带来的spike损坏器件,充电电流高达3A,支持NTC保护(可支持JEITA标准)和safety timer,功能强大、安全度高、整体集成度高,外围元件少、能大幅节约用户成本,提升充电安全,方便客户快速将产品推向市场。


SC8932/SC8930是两款同步降压充电控制器,内部集成了防反灌MOS管及Buck 功率管,单节充电效率高达95%,两节充电效率高达97%,可有效减小PCBA发热,降低热设计要求。
SC8932/SC8930支持完善的充电循环管理,包括:死电池充电,涓流充电,恒流充电,恒压充电,充电截止,自动再充电等。SC8932/SC8930电池端充电电压精度高达±0.5%,电流精度高达±5%,客户可精准的控制充电电流,同时支持输入电流限流,拥有充电状态指示,方便客户直观地查看充电状态。
SC8932/SC8930同时支持完善的保护机制,包括输入端电压及电流动态功率管理,充电安全时间管理,NTC控制(支持JEITA 标准),输入欠/过压保护,电池端欠/过压保护,热保护,热关断,能够保证芯片在各种异常状态下安全工作。
SC8932/SC8930在实现高集成度的同时采用超小QFN 3X3 Flipchip封装,可以有效降低导通阻抗;能够搭配1uH电感使用,有效减小PCB Size,降低BOM 成本。
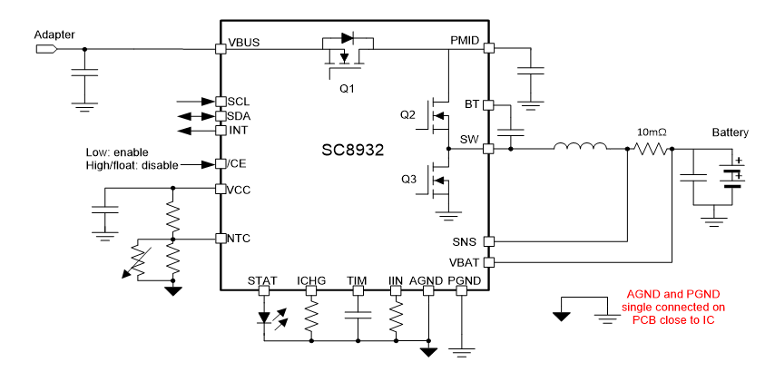
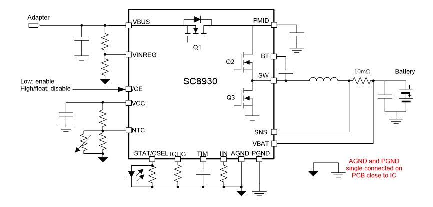
SC8932集成了I2C接口,MCU可通过I2C方便快捷的设置充电电流,输入端限流,VINREG,充电截止电压等各项参数,且能实时反馈芯片状态。SC8930为standalone版本,用户只需要外部使用电阻,电容,即可简单地设置充电的各项参数,无需外部controller的介入。

SC8932典型应用原理图

SC8932详细规格参数。

SC8930典型应用原理图

SC8932详细规格参数。
目前SC8932及SC8930 已经进入量产阶段,功能非常强大,有需求的小伙伴可以联系南芯获取详细产品信息。


https://www.chongdiantou.com/






