3月26日,「2021(春季)USB PD&Type-C亚洲展」在深圳成功举办,展会期间还同期举办2021(春季) USB PD&Type-C亚洲大会,并邀请了17位行业大咖进现场与大家探讨USB PD&Type-C现在与未来,为大家分享最新的技术和解决方案。
英飞凌在本次展会上推出了一款全新的100W快充参考设计,这款参考设计采用PFC+混合反激的半桥结构。可实现宽电压范围,不同电压输出和不同负载下的效率优化。
英飞凌这款参考设计具有PFC电路,两个贴着英飞凌标签的,右侧是PFC升压线圈,左侧是变压器。元件布置十分紧密。
参考设计尺寸为60*40*18mm尺寸,功率密度高达2.31W/CC。
和POWER-Z KT002对比大小,这个100W的设计实在是小。
这个100W参考设计,采用了PFC电路和XDPS2201混合反激控制器以及CYPD3174协议芯片。
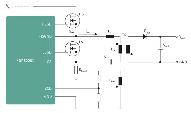
英飞凌的100W参考设计采用XPDS2201控制器,是一种新式的非对称半桥混合型反激拓扑,半桥与串联电容器共同驱动传统的反激变压器,驱动半桥MOS管实现软开关操作,可实现全范围零电压开关,全范围谐振可实现最高效率,零电压谐振谷底开关为低负载输出优化效率,提高适配器转换效率。
英飞凌XPDS2201采用PG-DSO-14封装,内部集成600V高压启动电路和高低侧MOS驱动,内部集成数字混合反激控制器。采用峰值电流模式控制,用于快速的负载响应。基于输出电流水平自动切换到突发模式运行,支持初级侧过电压保护,待机功耗<75mW,可通过单引脚UART界面配置参数,外围元件精简。
英飞凌XPDS2201可通过UART接口配置电源输入电压保护,配置内部软启动,配置突发模式的启动电流,配置用于峰值和瞬态的两级过电流保护,配置输出过电压保护,配置降频和跳周期用于提高轻载效率,配置抖频,配置用于精确峰值电流控制的传播延迟补偿。适用于AC/DC开关电源,可实现超高功率密度的适配器,功率密度大于20W/立方英寸,超高转换效率高于93%。
英飞凌XDPS2201集合反激和LLC的优点,推出了新的非对称半桥混合型反激拓扑,这个新式的反激拓扑,采用半桥和串联电容器共同驱动传统的反激变压器,反激变压器的主电感和串联电容器形成谐振回路,用于实现半桥开关的ZVS开关,并在退磁阶段提供谐振功率传输。正常运行模式下,充电周期和相关功率由峰值电流控制。退磁阶段通过定制控制,以确保合适的负预磁化,满足半桥所需的ZVS条件。
相比其他反激拓扑,这种混合半桥反激变压器需要存储的能量较少,可有效减小变压器的尺寸。同时混合反激可在初级实现完全零电压开关,次级实现零电流开关,并且回收变压器漏感能量,可进一步提高效率。
用于非对称反激的半桥开关管,英飞凌IPLK60R360PFD7,耐压600V,导阻360mΩ。
英飞凌这款100W的参考设计,协议芯片采用CYPD3174,这是一颗协议支持广泛的协议芯片。
同步整流采用MP6908A配合BSC028N06NS,英飞凌的非对称半桥混合型反激不需要特定的同步整流控制器,使用现有可用于反激同步整流的控制器即可。
英飞凌新推出的XDPS2201,通过新的非对称半桥混合型反激拓扑,优化了传统反激结构,实现全范围零电压开关,降低损耗。相比传统反激用RCD吸收变压器漏感,这个新式的反激结构还可以回收变压器漏感,进一步提高效率。
这种新型的非对称半桥混合型反激拓扑,还可以使用存储能量较少的小尺寸变压器,配合PFC电路,显著减小大功率适配器的体积。
英飞凌具有功率器件、控制器、快充芯片一整套解决方案,是业界少有能提供完整解决方案的半导体企业。


https://www.chongdiantou.com/






